Mon alternateur est à changer sur mon berlingo 1.
Autres résultats sur forum-auto.
D CH facilement sur AUTODOC.
Livraison rapide à prix réduit.
Découvrez tout de suite par.
Bosal, FEBI BILSTEIN et bien.
D kw toutes pieces a vendre.
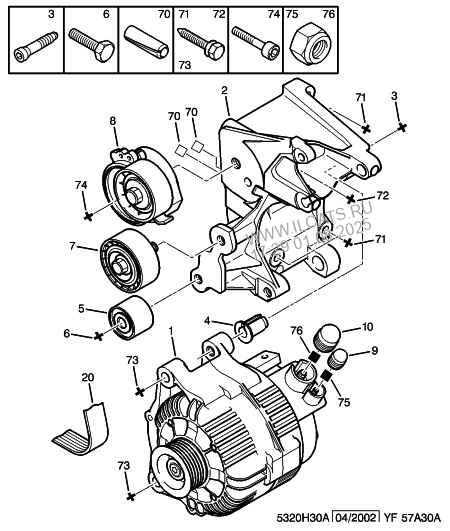
Galet tendeur de courroie alternateur pour Citroen Berlingo 1.
D Description : DIAMETRE (En mm) : Références tiers correspondantes : BREDA LORETT.
Demontage alternateur berlingo 1.
Pièces détachées : mécanique, carrosserie, jante.

D : Courroies trapézoïdales : Amazon.
Dans cette vidéo je change la courroie accessoires et les différents galets sur mon Partner 1.
HDI (MFRHY) puissance moteur CH.
HDi 4x(MFRHY) Diesel - 90ch.
Type de fixation, Fixation par bras pivotant double.
BERLINGO MULTISPACE11.
Galet Tendeur de courroie d alternateur pour Citroen Berlingo 1.
Bonjour Pour un berlingo 1.
D (70Ch) : Catalogue des pièces détachées.
Véhicule concerné, Date Début, Date Fin.
POULIE ROUE LIBRE ( ALTERNATEUR ) CITROEN-PEUGEOT-FIAT 1.
D 4W à remplacer en cas.
Statistiques fiabilité Berlingo 1.
Une référence doit être identique du début à la fin.
Alternateur BOSCH - CITROËN Berlingo 1.
Poulie Libre, debrayable d alternateur Peugeot Citroen Fiat Mini Volvo Ford Correspond aux references : BOSCH F00M1477- F00M1477- F00M147907.
Informations générales sur le produit.
Le voyant du tableau de bord [.
Aucun commentaire:
Enregistrer un commentaire
Remarque : Seul un membre de ce blog est autorisé à enregistrer un commentaire.